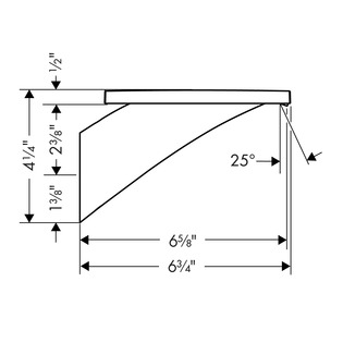
AXOR Massaud Bath spout

Bath spout

Product Features

  • flow rate: 17 l/min
Art. No. 18472001

Price Category $ $ $

Finish/Surface

Loading
Choose A Project
{{projectSelector.selectedProject.name ? projectSelector.selectedProject.name : "Project"}}
{{roomSelector.selectedRoom.name ? roomSelector.selectedRoom.name : "Room"}}
Room
{{applicationSelector.selectedApplication.displayName ? applicationSelector.selectedApplication.displayName : "Application"}}
Application
  • {{application.displayName}}

Hansgrohe uses different kinds of cookies. You can agree to the use of all cookies or make your personal settings or consult the general data protections.